ANTICLINALES Y FALLAS EN LA CUENCA
En las zonas de mayor grado de fracturamiento, se producen levantamientos dómicos o hemidómicos, aportados contra una falla o situados entre dos fallas, pero de mayor importancia en la producción de petróleo, sobre todo de petróleo almacenado en el cretácico.
En la parte occidental de la cuenca Distritos Mara, Maracaibo, Urdaneta, Perijá y norte del Distrito Colón. Los anticlinales predominan sobre las fallas ; las estructuras son generalmente domos alargados en sentido norte-sur fallados en la cresta marcados al sur y al norte. El alineamiento anticlinal de la Paz-Mara-El Moján es el primer levantamiento importante que se encuentra al este de la cadena de Perijá aproximadamente 30 km al este de los afloramientos graníticos cercanos al viejo campo el El Totumo. Uno de los alineamientos de mayor relieve estructural en la cuenca del Lago de Maracaibo, donde las calizas cretácicas se preforan a solamente 4.180´(1.274 m) en la Paz y a 5.145´(1.568 m) en Mara.
El desplazamiento en la cresta de la Paz alcanza casi 2.000´(609m) ; en Mara el desplazamiento de las dos fallas principales sobrepasa los 5.000´(1.524 m). Las fallas transversales tienen menor magnitud, aunque tienen importancia económico por controlar la recuperación de petróleo.
Hacia el sueste del alineamiento de la Paz-Mara se conocen dos alineamientos conocidos como la concepción-San Ignacio y sibucara, ambos de menor relieve estructural. La concepción fue conocido primeramente por su estructura eocena muy compleja, descrita por STAFF OF CARIBBEAN PETROLEUM CO. (1948), en ello se destacan los tres anticlinales, principales de Romillete.
En la zona de la concepción se observa un sistema de fallas transversales de rumbo casi oeste-este que se prolongan hacia el oeste hasta el norte de Boscán y la Región de El Divide.
Este sistema de fallas transversales parece separar la zona intensamente deformada de los Distritos Mara y Maracaibo de la región de menor deformación de Urdaneta-Perijá, dentro de la parte occidental de la cuenca del Lago de Maracaibo.
En la parte sur del Distrito Colón del estado Zulia, cerca de la frontera con Colombia, se conocen tres levantamientos anticlinales de importancia de oeste a este son, el anticlinal de Río de Oro, el domo de Tarra Oeste y el anticlinario de Tarra.
El anticlinorio de tarra es la estructura más notable de esta región (STAFF OF CARIBEAN PETR CO., 1948) y al mismo tiempo una de las pocas fallas de corrimiento que se presentan en la cuenca del Lago de Maracaibo. A partir de la frontera colombiana penetran en Venezuela dos anticlinales : el más oriental se conoce como anticlinal de redondo, con rumbo franco sur-norte, el anticlinal de tarra, por unos 5 km a partir de la frontera con rumbo norte-noreste.
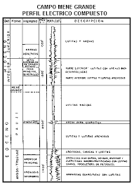
Otra región donde se desarrollen bien los pliegues anticlinales es el sector suroriental de la cuenca, en el alineamiento de Mene Grande-Motatán.
La falla principal de Mene Grande continua hacia el sureste hasta las estructuras del campo de Motatán, donde aparecen dos nuevos domos almeados en el lado oriental de la falla (GIAENTZLIN y MORENO, 1975) con características estructurales bastante similares a Mene Grande.
Los autores mencionados interpretan esta estructura “como una estructura floral generada por el desplazamiento hacia arriba de los sedimentos a lo largo del plano de la falla principal de Motatán”, mencionan también el carácter transcurrente de la falla sin indicar la dirección del movimiento.
El estudio de éstas estructuras confirmó el proceso de evolución tectónica que comprende : reactivación durante el eoceno superior de uno directriz tectónica anterior con formación de los domos de Mene Grande, Barúa y Motatán, reactivación de una falla probablemente normal de dirección norte-sur, la orogénesis del cretácico superior, la cual tuvo períodos de crecimiento durante el Paleoceno y Eoceno inferior y vino a establecerse como unas de las fallas mayores del sistema, hoy conocida como falla de Mene Grande y formación de fallas transversales menores.
De estas observaciones se deduce que, todo el Mioceno fue un período de crecimiento estructural, o bien las estructuras de Eoceno superior al plioceno superior, contemporáneamente con el levantamiento andino.
fuente bibliográfica: http://html.rincondelvago.com/cuencas-geologicas-del-lago-de-maracaibo.html

